Pendingin Termoelektrik Multi-Tahap untuk Pendinginan Dalam | Modul TEC 3iTEC-202-200516
- Ikhtisar
- Aplikasi
- Spesifikasi
- Gambar Mekanis
- Pilihan khusus
- Produk yang Direkomendasikan
3iTEC-202-200516 adalah pendingin termoelektrik mikro bertingkat dengan 202 pasangan, dirancang untuk kontrol termal presisi dalam aplikasi yang menantang seperti fotonik, diagnostik, dan instrumentasi.
Beroperasi pada 17,16V / 8,5A, memberikan kinerja ΔT tinggi dengan pendinginan yang andal, kompak, dan berbahan padat.
Struktur bertingkatnya memungkinkan pendinginan dalam di mana ruang dan ketepatan sangat penting.
Aplikasi
Ideal untuk aplikasi yang membutuhkan pendinginan solid-state dengan presisi tinggi di lingkungan yang kompak atau sensitif terhadap daya, seperti sensor fotonik, modul dioda laser, analis diagnostik, dan instrumen ilmiah miniaturisasi.
Spesifikasi
KARAKTERISTIK KINERJA (Th=298K@Vacuum)
|
Vacuum Th=50℃ Th=30℃ |
||
|
△Tmax(K) |
129.5 |
115 |
|
Qmax(W) |
21.3 |
19.23 |
|
Imax(A) |
8.5 |
8.5 |
|
Umax(V) |
17.16 |
15.71 |
|
ACR(Ohm) |
1.77 |
1.63 |
|
Penyimpangan Parameter:+/-10% |
|
|
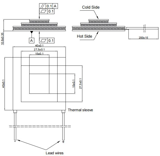
Gambar Mekanis

Pilihan khusus
Panjang kawat: panjang dan jenis kawat yang ditentukan.
Penyetelan Tinggi Pelet: Penyesuaian tinggi pelet mengubah kinerja:
• Lebih tinggi: Imax lebih rendah, ΔT lebih tinggi, Qmax lebih rendah
• Lebih rendah: Imax lebih tinggi, ΔT lebih rendah, Qmax lebih tinggi
Prapenyepuhan: Jenis solder dapat dispesifikasikan sesuai kebutuhan perakitan.
Catatan: Pengkapsulan tidak disarankan untuk modul multi-tahap karena risiko tekanan pada lingkungan non-atmosferik.