Penyejuk Termoelektrik Mikro Ultra-Kompak | Modul TEC 1iTEC-017-050515
- Gambaran Keseluruhan
- Aplikasi
- Spesifikasi
- Lengkung prestasi
- Gambar Mekanikal
- Pilihan tersuai
- Produk yang Disyorkan
1iTEC-017-050515 adalah penyejuk termoelektrik mikro ultra-kompak dengan 17 pasangan, direka untuk kawalan suhu yang tepat dalam sensor, peranti fotonik, dan sistem laser.
Ia beroperasi pada 2.09V / 0.9A, menjadikannya sesuai untuk aplikasi dengan ruang terhad dan keperluan kuasa rendah.
Aplikasi
Sesuai untuk aplikasi yang memerlukan penyejukan pepejal tanpa bunyi dalam persekitaran yang terhad ruang atau kuasa rendah, seperti sensor CCD, transceiver optik, peranti lab-on-chip, dan instrumen pengukuran miniatur.
Spesifikasi
CIRI-CIRI PRESTASI (Th=298K@Vacuum)
|
△Tmax(K) |
73.1 |
|
Qmax(W) |
1.01 |
|
Imax(A) |
0.9 |
|
Umax(V) |
2.09 |
|
ACR(Ohm) |
2.09±0.21 |
|
Penyimpangan parameter:+/-5% |
|
Lengkung prestasi
-
Ciri-ciri Voltan-Arus
-
δT—F(Qc)
Graf prestasi yang lain boleh didapati mengikut permintaan;
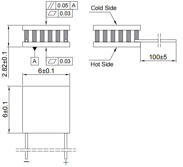
Gambar Mekanikal

Pilihan tersuai
Panjang dawai: panjang dan jenis dawai yang ditentukan.
Larasan Ketinggian Pellet: Pelarasan ketinggian pellet mengubah prestasi:
• Lebih tinggi: Imax lebih rendah, ΔT lebih tinggi, Qmax lebih rendah
• Lebih rendah: Imax lebih tinggi, ΔT lebih rendah, Qmax lebih tinggi
Pra-Pematerian: Jenis solder boleh dinyatakan mengikut keperluan pemasangan.
Nota: Pengkapsulan tidak digalakkan untuk modul berbilang peringkat disebabkan risiko tekanan dalam persekitaran bukan atmosfera.